全国统一服务热线
400-610-6025
首 页
九游体育(中国)官方网站
公司概况
证书荣誉
组织结构
业务范围
业绩案例
工艺材料
行业动态
资料下载
九游 SPORTS
当前位置:
首页
>
图集
>
框架梁板粘钢加固案例
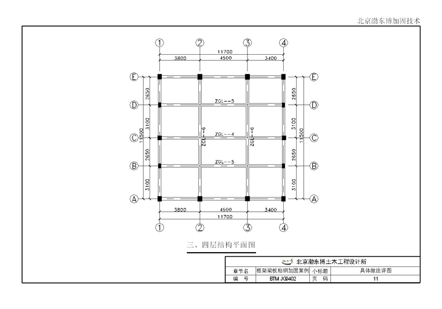
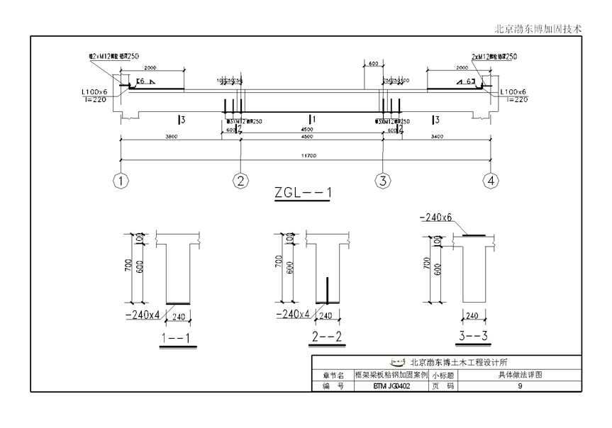
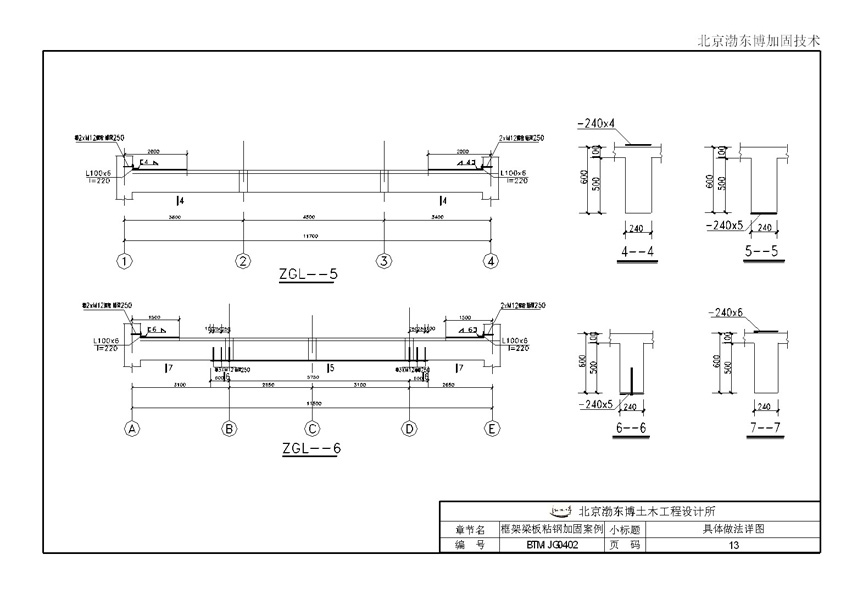
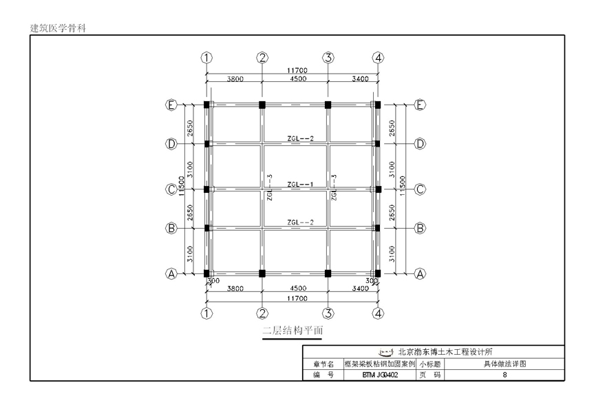
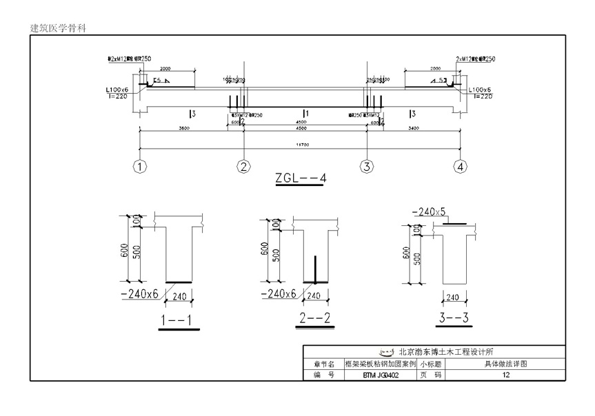
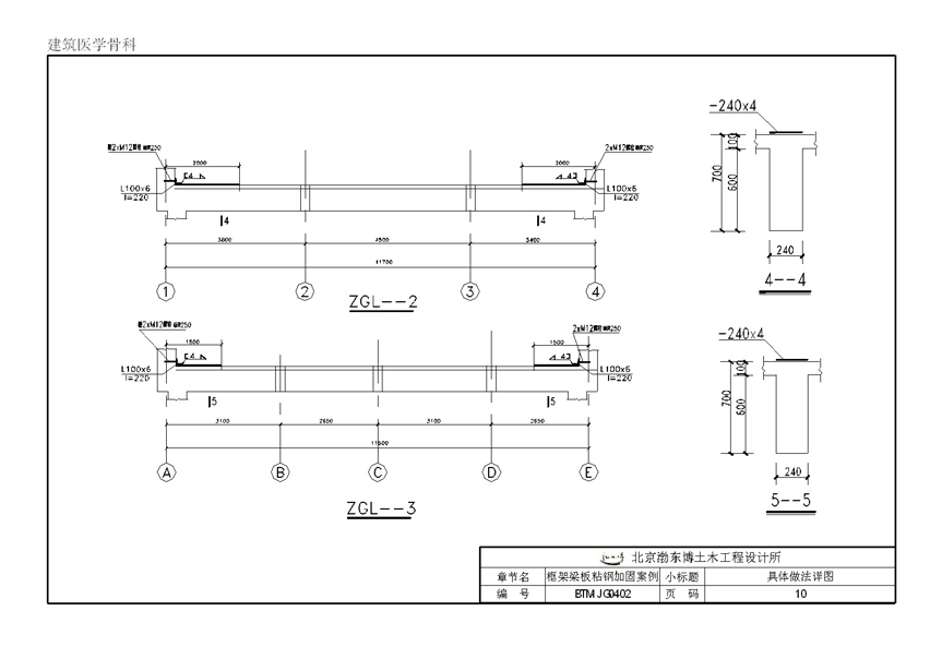
框架梁板粘钢加固案例
版权所有:九游体育(中国)官方网站
邮箱:jiagu@bodongbo.com
传真:010-64403408
电话:400-610-6025 800-810-6025 010-64403428
地址:北京市朝阳区北苑东路19号院2号楼1206室(中国铁建广场C座)
京ICP备2022035419号-1
乐动手机入口
|
9U在线
|
乐动体育
|
安博·体育(中国)官方网站
|
开云官方注册地址
|
九游平台
|
星空网页版登录入口
|
开云链接官网
|
开云在线(中国)唯一官方网站
|